Jump to content

Recommended Posts

Posted

Como va muchachos, buenas, queria hacer una consulta acerca de un problema q tiene un Electrovox Valvetech 60r. Es el ampli de un conocido, lo tiene hace muchos años me comenta y lo dejo d usar pq mete ese ruido y se prende y apaga rápidamente. Después de abrirlo y sacarle vagamente el polvillo por la idea de que quizás hay un falso contacto, nos dimos cuenta q seguía teniendo el mismo problema pero cuando tocabamos muchas notas seguidas no paraba, en cambio, cuando cortabamos el sonido como se ve en el vídeo se producia el corte ese, no sabemos si tendrá relación o que es lo q pueda ser. Alguna idea? desde ya muchas gracias.

 

 

Posted

Me encantaría ayudarte pero no se entiende nada lo explicado y en el video tampoco. 

Pareciera que uno de los transistores de potencia clipea y corta el sonido. Desde ya necesitan de un técnico, de una barita mágica. Saludos. 

Posted

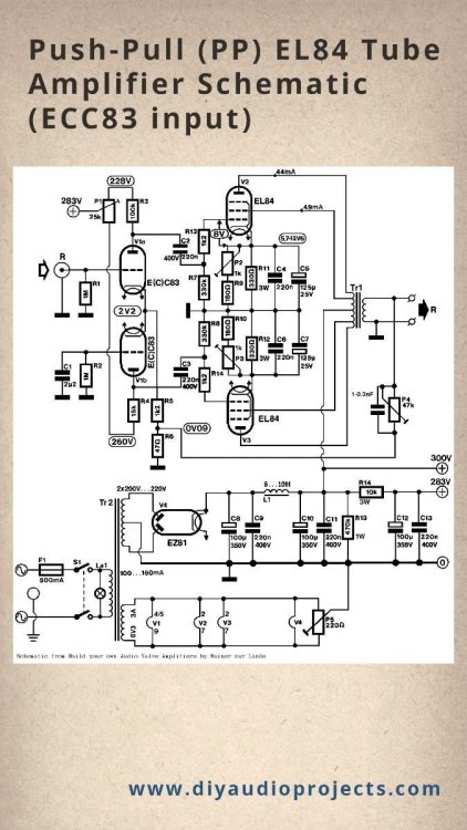
Primero que todo, mucho, pero mucho cuidado al trabajar en equipos valvulares, incluso desenchufado ya que hay condensadores que almacenan energía potencialmente letal. Por el hecho de que el led de encendido baja la luminosidad, yo me iría primero por la alimentación, probando con un tester si los voltajes son los correctos, como no hay esquema, habría que analizar si lo medido se acerca a voltajes típicos. Tal vez puedes buscar en internet algún esquematico en base a las válvulas que usa tu amp (pre y potencia). Otra cosa que uno a veces pasa por alto es limpiar los jacks, ya que pasa señal cuando no tienen nada enchufado y también se ensucian o sulfatan. Te adjunto un ejemplo de esquemático en que salen voltajes.

9abadd083860574346bc5ce47237583a.jpg

  • Haha 1
Posted (edited)
hace 9 minutos, sinkopas dijo:

Primero que todo, mucho, pero mucho cuidado al trabajar en equipos valvulares, incluso desenchufado ya que hay condensadores que almacenan energía potencialmente letal. Por el hecho de que el led de encendido baja la luminosidad, yo me iría primero por la alimentación, probando con un tester si los voltajes son los correctos, como no hay esquema, habría que analizar si lo medido se acerca a voltajes típicos. Tal vez puedes buscar en internet algún esquematico en base a las válvulas que usa tu amp (pre y potencia). Otra cosa que uno a veces pasa por alto es limpiar los jacks, ya que pasa señal cuando no tienen nada enchufado y también se ensucian o sulfatan. Te adjunto un ejemplo de esquemático en que salen voltajes.

9abadd083860574346bc5ce47237583a.jpg

No es valvular el equipo 

Edited by horacio726
Posted
hace 13 minutos, sinkopas dijo:

Primero que todo, mucho, pero mucho cuidado al trabajar en equipos valvulares, incluso desenchufado ya que hay condensadores que almacenan energía potencialmente letal. Por el hecho de que el led de encendido baja la luminosidad, yo me iría primero por la alimentación, probando con un tester si los voltajes son los correctos, como no hay esquema, habría que analizar si lo medido se acerca a voltajes típicos. Tal vez puedes buscar en internet algún esquematico en base a las válvulas que usa tu amp (pre y potencia). Otra cosa que uno a veces pasa por alto es limpiar los jacks, ya que pasa señal cuando no tienen nada enchufado y también se ensucian o sulfatan. Te adjunto un ejemplo de esquemático en que salen voltajes.

9abadd083860574346bc5ce47237583a.jpg

Es un amplificador a transistores. 

 

No obstante desde ya tu recomendación de seguridad es más que válida y super correcta. NO METAN MANO EN UN APLIFICADOR VALVULAR. Son varias las cosas que podrían pasar, que se descarguen los capacitores electrolíticos y recibas una descarga de no menos de 750 volts. 

Posted

Si tenes un pedal preamp o algo del estilo proba mandandolo al loop de efectos (power amp in) , aca descartas o al menos te das la idea de si el problema viene desde la potencia. Como dijeron anttes, es probable que sea algun transistor de potencia, puede venir por un tema de disipacion de temperatura.

Posted
hace 5 horas, sinkopas dijo:

...Por el hecho de que el led de encendido baja la luminosidad, yo me iría primero por la alimentación...

 

Esto.

Fijate si el cable de alimentación, el enchufe, el enchufe del lado del equipo (si tiene cable desconectable tipo compu), todo eso está bien. Si no hay que abrir y ahí al técnico.

Posted

Como no encontré info en internet, deduje por el modelo que podía ser valvular. En este caso, lo que yo hago es usar un parlante pequeño (solo el componente) con un par de cables, uno a tierra y otro como punta de prueba; luego voy probando en la ruta de la señal hasta encontrar donde se corta o falla, por ejemplo, en las patas de entrada y salida de integrados o patas de potenciómetros, transistores, condensadores, etc.

Join the conversation

You can post now and register later. If you have an account, sign in now to post with your account.

Guest
Reply to this topic...

×   Pasted as rich text.   Restore formatting

  Only 75 emoji are allowed.

×   Your link has been automatically embedded.   Display as a link instead

×   Your previous content has been restored.   Clear editor

×   You cannot paste images directly. Upload or insert images from URL.

×
×
  • Create New...