Willy Posted February 22, 2019 Posted February 22, 2019 Tengo que hacer andar un relé dentro de un equipo, para activar o desactivar el modo Solo. El equipo tiene 6,3 v de alterna en filamentos. Lo puedo sacar de ahí? O sea: andan con alterna? La tengo que rectificar? Qué voltaje de relé debería mandar? Cualquier data será bienvenida. Gracias! Quote
Carpo Posted February 22, 2019 Posted February 22, 2019 hace 12 minutos, Willy dijo: Tengo que hacer andar un relé dentro de un equipo, para activar o desactivar el modo Solo. El equipo tiene 6,3 v de alterna en filamentos. Lo puedo sacar de ahí? O sea: andan con alterna? La tengo que rectificar? Qué voltaje de relé debería mandar? Cualquier data será bienvenida. Gracias! Mirá, hace décadas que no uso un relevador. Lo último que usé fueron unos chiquitos, pero que se bancan seguramente la corriente que te pida ese circuito, que se llaman reed switch. Se cierra con un campo magnético que en este caso lo vas a generar con una bobinita y obviamente CC (poné siempre una resistencia en serie para no tener un corto). Un timbre de antes, por ejemplo, era el uso de una relé con alterna. Ojo, es una idea, pero tené en cuenta que hace mucho que no hago nada de esto! ? 1 Quote
horacio726 Posted February 22, 2019 Posted February 22, 2019 Hola... Si queres usar corriente alterna, el rele debe ser un rele para corriente alterna... Sino te va a hacer ruido. Un rele de 12v por ahí se activa con 6,3...sino usas uno de 5v y le pones una resistencia chica. Yo sacaría la corriente de otro lado. No tiene Led de encendido? De ahí podes sacar para activar un rele de 5v 1 Quote
Willy Posted February 22, 2019 Author Posted February 22, 2019 Estimo que debe consumir muy poco. Podríarectificar eso. Cuánto consume un relé? es uno de esos chiquitos Quote
Mostro Posted February 22, 2019 Posted February 22, 2019 @Willy, para switchear con relés mirate los circuitos de Dumble, están en la net, si mal no recuerdo el tipo pone un trafito separado de 12V con rectificación a continua para alimentar los relés, no saca alimentación de los filamentos, sobre todo en un circuito de alta ganancia me parece que alimentar con alterna puede ser para quilombo de ruidos. Quote
elmario Posted February 22, 2019 Posted February 22, 2019 Pero papá rectificá esos 6.3 con onda completa (4 diodos) y vas a sacar mas o menos 12V (con o sin condensador de filtro, andá viendo) para mover cualquier relé de 12 (valga la red.) Quote
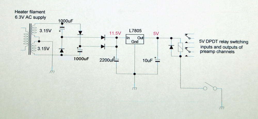
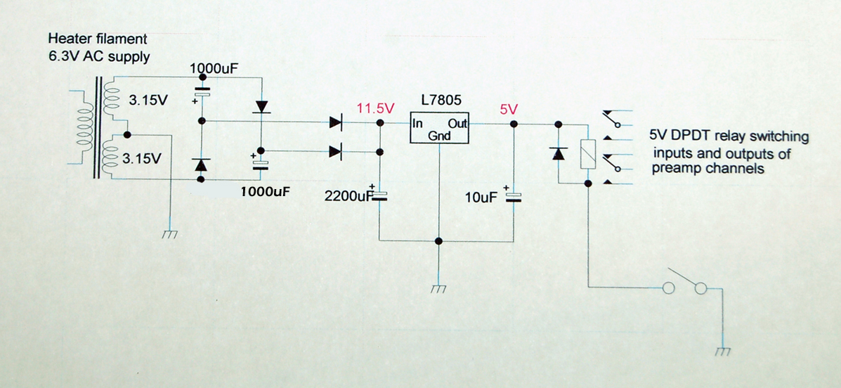
paco Posted February 23, 2019 Posted February 23, 2019 Un relay de 6V consume algo de 80ma. Podes armar algo así. saludos. 1 Quote
Willy Posted February 23, 2019 Author Posted February 23, 2019 uy, todo eso? Gracias, @paco. Pensaba algo más cabeza onda rectificador, un electrlítico de 1000 uF, ponele, y al rel.e. Pero claro, debería poner un regulador Quote
Willy Posted February 23, 2019 Author Posted February 23, 2019 Otra: una fuentecita switching meterá mucho quilombo ahí adentro? ambién puedo meterla fuera del chasis Quote
Carpo Posted February 23, 2019 Posted February 23, 2019 @Willy, El relé que yo te mencioné es una cápsula cerrada con un switch metálico dentro, normalmente abierto, que lo cerrás con un campo magnético externo, que no viene con el relé. En tu caso deberías usar una bobina alimentada con CC de esa fuente que decís y con un switch externo que pisarías o algo así. Esos relés soportan un amper tranquilamente (tendría que buscar un datasheet en Internet), y no creo que tu circuito consuma tanto. Entonces tenés dos circuitos independientes: 1. El que cierra el relé. 2. El que alimenta la bobina que lo cierra (también podría ser un imán, pero a vos no te sirve esa manera). Ojo, lo que te digo es una de tantas. Fijate por ejemplo que en el circuito de arriba ese rectángulo con la línea transversal es la bobina que acciona todos esos contactos que ves a la derecha. Mi recomendación: Mandate a una casa de electrónica y contale al vendedor qué querés hacer. Suerte! Quote
Willy Posted February 23, 2019 Author Posted February 23, 2019 Gracias, @Carpo. No, es una señal de audio. Miliamperes. Mañana voy a preguntar. Igual cualquier sugerencia sigue siendo bienvenida Quote
paco Posted February 23, 2019 Posted February 23, 2019 Lo que yo haría, sería meter un trafo de 9V 300ma (que son mini), un puente de diodos, un cap de 2200uf 16V y el regulador. Acordate siempre de switchear la masa del circuito. Trataría de no usar el bobinado de filamentos, porque tenes un corto y freís el trafo de fuente. saludos. Quote
Willy Posted February 23, 2019 Author Posted February 23, 2019 dale, perfect. A qué te referís con switchear la masa? Quote
Carpo Posted February 23, 2019 Posted February 23, 2019 @Willy, Hoy en día venden puentes de diodos en un solo chip con cuatro patitas. Las dos de la entrada de AC y la salida de CC. No hace falta que te armes una fuente regulada para alimentar la bobinita del relé. Ponele un capacitor electrolítico al puente y listo (probá estas cosas siempre aparte). Y tené en cuenta que, aparte de los reed switch, también tenés relés que vienen con la bobina y los contactos en un solo bloquecito que, para lo que necesitás, va a ser bastante chiquito. Y recordá siempre conectarle un diodo en paralelo a la bobina, polarizado en inversa, para evitar el transitorio que va a generar devolviendo energía al circuito. Un diodo cualesquiera (es ese que ves en el circuito en paralelo con el rectángulo que mencioné antes). Siempre te estoy escribiendo imaginando que lo querés hacer vos porque algo cazás de estas cosas, si no mejor pedirle a un técnico. Quote
paco Posted February 23, 2019 Posted February 23, 2019 Que cierres el circuito a través del footswitch con la masa y no con el positivo. saludos. Quote
Willy Posted February 23, 2019 Author Posted February 23, 2019 ah, mirá... y eso por qué? para saber Quote
paco Posted February 23, 2019 Posted February 23, 2019 Para evitar tener el positivo de la fuente de switching en un cable hasta el footswitch, es siempre recomendable switchear con el retorno y no con el positivo porque podes tener un corto entre el chasis del footswitch y los chasis de otros pedales en la pedalera. saludos. Quote
Willy Posted February 25, 2019 Author Posted February 25, 2019 @paco perfecto, entiendo. Lo hice así, anduvo perfecto y lo usé el sábabado a la noche en Makena, todo diez punto. Finalmente lo que hice fue usar un trafo de 12V (ya que tenían un rele de 12) con rectificador y filtro de 1000 uF, regulador 7812 y al relé. Todo 10 puntos. Gracias a todos, muchachios!!! Quote
paco Posted February 25, 2019 Posted February 25, 2019 hace 2 horas, Willy dijo: @paco perfecto, entiendo. Lo hice así, anduvo perfecto y lo usé el sábabado a la noche en Makena, todo diez punto. Finalmente lo que hice fue usar un trafo de 12V (ya que tenían un rele de 12) con rectificador y filtro de 1000 uF, regulador 7812 y al relé. Todo 10 puntos. Gracias a todos, muchachios!!! Me alegro Willy!!! saludos. Quote
Recommended Posts
Join the conversation
You can post now and register later. If you have an account, sign in now to post with your account.